| 传感器如何实现稳定工作?宏博这样进行电磁兼容设计-宏博测控官方网站_智能电网__变电站智能巡视系统_局放测试仪_绝缘子检测仪_开关柜在线监测系统—用科技创新,助力电力发展
传感器在电力设备环境中运行,往往面临复杂的电磁环境,电磁兼容(EMC)问题尤为突出,
主要体现在电磁干扰对传感器性能的影响以及传感器自身电磁辐射对系统的干扰,
进而影响其测量精度、数据传输可靠性及设备安全性。
电力现场干扰主要包括以下情况:
高压开关操作、变压器励磁涌流、电弧放电等过程产生的强烈电磁场、快速瞬态过电压和电晕放电;断路器、隔离开关动作产生的瞬态过电压(可达几百kV)和陡脉冲;
高压设备表面电场集中区域(如绝缘子、导线连接处)的局部放电,产生的高频噪声(MHz~GHz范围);变频器、SVG等产生的谐波及开关噪声;
直接雷击或感应雷产生的瞬态电磁场(可达数十kA/μs的电流变化率);附近通信基站、广播发射台的射频辐射(如150kHz~30MHz频段);
人员操作或设备摩擦产生的静电脉冲(电压可达15kV);数字电路的开关噪声、电源纹波等。
具体可归纳为:射频辐射电磁场干扰、工频磁场干扰、静电放电干扰、电快速瞬变脉冲群干扰、浪涌干扰、射频场感应传导骚扰和电压暂降/短时中断。
这些电磁干扰相互叠加,通过传导或空间辐射耦合至传感器,导致测量值偏差、灵敏度降低、分辨率下降、数据包丢失或误码率上升、甚至损坏;
保护和控制系统中,传感器误报可能导致断路器误跳闸或设备误启动,进而危及系统安全。
射频辐射电磁场干扰和工频磁场干扰属于空间辐射耦合干扰。空间辐射耦合干扰会导致模拟电路出现互调和解调效应,使信号失真,噪声水平上升,
从而降低模拟信号的精度和稳定性;与电路中的导线产生耦合效应,导致元件性能波动,进一步影响模拟电路的性能;引发高速数字电路误动作,
导致数据损坏;对高速数字电路中的时钟信号造成干扰,导致信号幅度改变和相位变化,进而影响电路的同步和稳定性;
影响无线电路的信号接收和发送,导致通信质量下降。
宏博方案:
宏博测控传感器在模拟电路、高速数字电路和无线电路上加装屏蔽罩、使用金属外壳或外壳内喷涂屏蔽涂料,并通过良好接地减少空间辐射干扰;
根据现场环境改进算法程序,以减少干扰的影响;
静电无处不在。其原理在于,摩擦和电磁波在物体上都会产生电荷的积累,电荷得不到释放积累到一定程度就会产生静电或电磁干扰,
静电就会向周围不等电位物体放电;静电放电可能击穿电子元件,从而损坏设备;
宏博方案:
由于静电需要电荷积累、电压高和电流小的属性,宏博测控减少静电影响的方法为生产人员佩戴静电手环、金属件接地和电源/信号添加TVS/ESD器件;
(1)干燥天气人身上由于电荷不能很好释放容易产生静电,电路上不能每个地方都添加TVS/ESD器件,生产人员佩戴静电手环能有效地减少生产中静电造成的电路损坏;

无线防静电手环(素材来源网络)
(2)外露的金属件、金属外壳和内部屏蔽罩接地能有效减少外部静电和这些金属件上电荷积累产生的干扰;

外壳接地图示(素材来源网络)

外壳接地图示(素材来源网络)
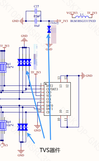
(3)在外露端子和电源处加TVS/ESD器件,能有效减少生产和使用中静电的干扰;

TVS器件(素材来源网络)

TVS器件(素材来源网络)


电源EMC电路图
电快速瞬变脉冲群干扰、浪涌干扰和射频场感应传导骚扰属于传导到电源线和信号线上的干扰。
宏博方案:
宏博测控减少这些干扰的方法为Π型滤波、LC滤波、压敏电阻、自恢复保险、TVS管、气体放电管和共模电感的配合;实际要根据现场的应用;